专业专注风机研发、生产、销售、售后

技术力量雄厚,制造经验丰富,管理科学规范化

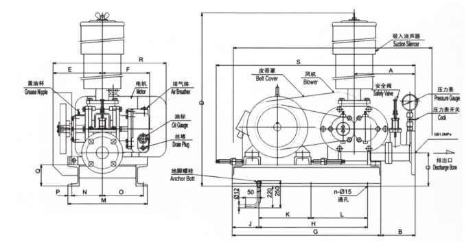
罗茨风机

熔喷布专用高压罗茨鼓风机

  • 所属分类 :
    罗茨风机
  • 浏览次数 :33
  • 发布时间 :2025-10-29 11:22:36
  • 详细介绍

image.png

微信图片_20210910141050.jpg

微信图片_20210910141124.jpg


淄博运通通风设备有限公司

电话:183-6995-5766
网址: www.zbytsb.com
地址: 山东淄博周村南郊镇工业园
Copyright © 2018-2025 淄博运通通风设备有限公司 All Rights Reserved.
   免责声明  营业执照公示